Pie līdzīgiem simptomiem pārbaudīju sprauslas, viena bija nobeigusies. Nomainīju to un tagad virs 3000rpm vairs neraustās un neslāpst nost, man gan meta kļūdu par zemu degvielas spiediens reilā.Rastaman wrote: ↑Thu Jul 02, 2020 3:00 pm Laba diena. Ir īpašumā Saab 9-3 1.9 ttid. Viss jau būtu super, tikai pēdējā laikā sācis niķoties... Tātad minot čībā pēc 3000 rpm krasi pazūd jauda un sāk tā lēzeni raustīties. Jāteic, ka sākums ar tāds pašvaks. Karoč ceļ tikai no 2000rpm līdz 3000rpm. Un patēriņš degvielai palicis lielāks. Iepriekšējo 5.7/100 tagad ir 7.4/100
Kas par vainu varētu būt?
Paldies par atbildēm jau iepriekš.
Dažādi jautājumi par 9-3 (2.daļa)
Re: Dažādi jautājumi par 9-3 (2.daļa)
SAAB 9-3 1.9TiD 150HP 2008
- ZZ_ZingZeng
- Zināms jau visiem
- Posts: 301
- Joined: Thu Apr 07, 2016 10:30 am
Re: Dažādi jautājumi par 9-3 (2.daļa)
Tur var būt vairāki iemesli, vislabāk pieslēgt pie kompīša nevis zīlēt.
Tikai SAAB lietotājs no 1993.g. - 2024.g.
Desmitais SAABs, pirmais dīzelis - 9-5 1.9TID vagons.
Pirms tam: 99GL Combi Coupe, 99GL, og900T, og900t, 900SPG, 2x9000aero, 9-3SE HOT, 9-5t vagons.
Desmitais SAABs, pirmais dīzelis - 9-5 1.9TID vagons.
Pirms tam: 99GL Combi Coupe, 99GL, og900T, og900t, 900SPG, 2x9000aero, 9-3SE HOT, 9-5t vagons.
Re: Dažādi jautājumi par 9-3 (2.daļa)
Sveiciens Pilotiem! Uz nākošos eļļas maiņu, gribu noņemt eļļas pannu un iztīrīt, arī nomainīt eļļas pumpim blīvīti. Lai neuzrastos problēmas ar eļļas spiedienu, dēļ blīvītes. Manam minitraktora motoram Z19DT V8 , tā blīvīte ir tāda pate kā lielo traktoru motoriem Z19DTH un Z19DTR? Meklēju googlē bet īsti skaidras atbildes nesaņēmu.
Saab 9-3 SW Z19DT 2008
Re: Dažādi jautājumi par 9-3 (2.daļa)
Ir lielas aizdomas, ka šim motoram to nevajag darīt. Spiediens parasti zūd Aero versijām ar divām turbīnām. Un Opeļa 2.0 cdti dzinējiem. Kāds zinošāks lai palabo, ja kļūdos.
V70 un Saab 9-3
Re: Dažādi jautājumi par 9-3 (2.daļa)
Doicis wrote: ↑Fri Oct 02, 2020 11:59 am Sveiciens Pilotiem! Uz nākošos eļļas maiņu, gribu noņemt eļļas pannu un iztīrīt, arī nomainīt eļļas pumpim blīvīti. Lai neuzrastos problēmas ar eļļas spiedienu, dēļ blīvītes. Manam minitraktora motoram Z19DT V8 , tā blīvīte ir tāda pate kā lielo traktoru motoriem Z19DTH un Z19DTR? Meklēju googlē bet īsti skaidras atbildes nesaņēmu.
Ja ļoti patīk sekss ar dīzeli, droši vari ņem nost karteri un tīrīt (tīrs karteris nekad nenāk par sliktu).
Ja prasi vai tavam dzinējam tas ir akūti, tad, nē. Šī problēma aktuāla ir tikai DTR dzinējiem ar biturbo bloku.
99 1975 Combi Coupe
900 1986 Turbo Commander edition
9³ SW 1.9 Biturbo Aero
9³ OG Convertible with b234R Powered by Jancis Stg4
Ex9000 Amethyst Violet Powered by KoreFun Stg1.5; Ex9³ SS 2003 2.0T Aero swap. Powered by Jancis; Ex9³ SW 2008 1.9 Stg1
900 1986 Turbo Commander edition
9³ SW 1.9 Biturbo Aero
9³ OG Convertible with b234R Powered by Jancis Stg4
Ex9000 Amethyst Violet Powered by KoreFun Stg1.5; Ex9³ SS 2003 2.0T Aero swap. Powered by Jancis; Ex9³ SW 2008 1.9 Stg1
Re: Dažādi jautājumi par 9-3 (2.daļa)
Paldies par atbildi
. Ir vel viens jautājums, par 12v piepīpētājiem. Pie ātrum kloķa tas 12v piepīpētājs strādā , bet rokas balsta bardačokā un bagažniekā nestrādā. Ar multimetru izmērīju spriegumu 0,6V. Meklēju vainu drošinātājos, pēc mātes googles, par viņiem atbild 10drošinātājs panelī, vesals. Ņēmu atkal talkā multimetru, līdz drošinātājam nemaz nepienāk 12v(0,6V). Varbūt kādam tā vel ir bijis? Kur ko skatīt?
Saab 9-3 SW Z19DT 2008
Re: Dažādi jautājumi par 9-3 (2.daļa)
Sveiki biedri
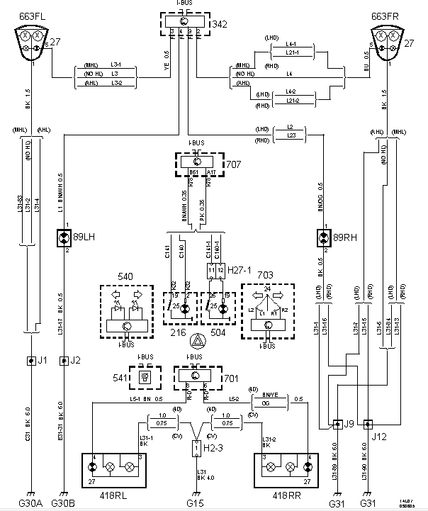
Vai kādam gadījumā nav 2004 gada 9-3 2.0t elektroshēma, es ļoti vēlos pagrieziena lukturus korekti sataisīt?:)
Google pa brīvu man neko neatrod , diemžēl
Vai kādam gadījumā nav 2004 gada 9-3 2.0t elektroshēma, es ļoti vēlos pagrieziena lukturus korekti sataisīt?:)
Google pa brīvu man neko neatrod , diemžēl
Re: Dažādi jautājumi par 9-3 (2.daļa)
Baidos gan, ka maz Tev tas ko palīdzēs....
Visa elektronika darbojas uz burvju zilajiem dūmiem, kas atrodas tās iekšienē. Tad, kad šie dūmi izlaužas ārpusē, tad arī elektronikai psec.
YTC Īslīces 16
SAAB, Youngtimer un citu auto remonts t.29293629
YTC Īslīces 16
SAAB, Youngtimer un citu auto remonts t.29293629
Re: Dažādi jautājumi par 9-3 (2.daļa)
Mega PALDIES
Re: Dažādi jautājumi par 9-3 (2.daļa)
Sveiciens visiem. Šodien mana SAABīne tik pieslēgta pie normālā kompa, nevis bluetooth puļķa kas man ir mājas, kas arī ne visu rāda
. Bija 2kļūdas P0380 kuru varēja nodzēst, un P1180 kuru nevarēja nodzēst. Cik sapratu, tā P0380 ir par kvēlsvecēm. Bet īsti netieku skaidrībā ar P1180. Kas viņa īsti ir?
Saab 9-3 SW Z19DT 2008
Re: Dažādi jautājumi par 9-3 (2.daļa)
p1180 diesel preheat fault.......check fuse36 and relay (middle row 2nd one up as you look at them) in engine bay fuse box, try removing and cleaning connections..
http://www.sensonpaint.lv
29940215
LV
Saab 9-5 2000 2.3t aero TD04HL-16T , B234i camshafts,3.5bar fuel pressure,lightweight flywheel,ecm soft powered by Jancis
29940215
LV
Saab 9-5 2000 2.3t aero TD04HL-16T , B234i camshafts,3.5bar fuel pressure,lightweight flywheel,ecm soft powered by Jancis
Re: Dažādi jautājumi par 9-3 (2.daļa)
Es teiktu, ka degvielas filtra apsilde nestrādā.
V70 un Saab 9-3
Re: Dažādi jautājumi par 9-3 (2.daļa)
Vajadzīga neliela palīdzība. Saab 9-3og 2,0t 99g Pēkšņi pārstāja darboties orģinālā pults (banāns). Pirmais ko izdariju- nomainiju bateriju. Esošajā bija 2,9V. Izmeiģināju visas sihronizācijas kas aprakstītas atrodamajos avotos. Centrālā atslēga no slēdža mašīnā darbojas- bagažnieks no pogas durvīs darbojas. Problēmu saasina fakts ka durvju atslēgas nedarbojas un ir tikai viena pults. Ieteikumi, komentāri, risinājumi?
Re: Dažādi jautājumi par 9-3 (2.daļa)
Paldies Pilot!
Saab 9-3 SW Z19DT 2008
Re: Dažādi jautājumi par 9-3 (2.daļa)
Slēdzenes serdenis "izlec"? Nav ieķēries?difers wrote: ↑Wed Oct 14, 2020 7:27 pm Vajadzīga neliela palīdzība. Saab 9-3og 2,0t 99g Pēkšņi pārstāja darboties orģinālā pults (banāns). Pirmais ko izdariju- nomainiju bateriju. Esošajā bija 2,9V. Izmeiģināju visas sihronizācijas kas aprakstītas atrodamajos avotos. Centrālā atslēga no slēdža mašīnā darbojas- bagažnieks no pogas durvīs darbojas. Problēmu saasina fakts ka durvju atslēgas nedarbojas un ir tikai viena pults. Ieteikumi, komentāri, risinājumi?
Visa elektronika darbojas uz burvju zilajiem dūmiem, kas atrodas tās iekšienē. Tad, kad šie dūmi izlaužas ārpusē, tad arī elektronikai psec.
YTC Īslīces 16
SAAB, Youngtimer un citu auto remonts t.29293629
YTC Īslīces 16
SAAB, Youngtimer un citu auto remonts t.29293629